Comment l’équipement de cyanuration améliore-t-il la récupération de l’or et la sécurité du site ?

2026-01-08 - Laissez-moi un message

Si vous avez déjà eu l’impression que la cyanuration est « efficace, mais stressante », vous ne l’imaginez pas. La chimie fonctionne, mais la réalité quotidienne peut être compliquée : minerai variable, dépenses excessives en réactifs, pertes de carbone, temps d'arrêt imprévus et pression constante pour fonctionner de manière sûre et cohérente. Cet article détaille ce queÉquipement de cyanurationdevrait réellement faire pour vous, que demander avant d'acheter et comment éviter les erreurs les plus coûteuses.


Abstrait

ModerneÉquipement de cyanurationn'est pas simplement un ensemble de réservoirs : c'est un système connecté conçu pour contrôler les conditions de lixiviation, stabiliser la récupération, réduire les déchets de réactifs et assurer la prévisibilité de la manipulation du cyanure. Les acheteurs sont généralement confrontés à quatre problèmes : une récupération incohérente, des coûts d'exploitation élevés, des contrôles de sécurité faibles et des problèmes de maintenance. Ci-dessous, vous obtiendrez une vue pratique de l'usine des modules de cyanuration (lixiviation, adsorption, désorption/électroextraction, détoxification et instrumentation), une matrice de sélection, des conseils de mise en service et une section FAQ que vous pourrez utiliser lors des conversations avec les fournisseurs.


Table des matières


Aperçu en un coup d'œil

  • Traduisez « J’ai besoin de cyanuration » en un équipement complet et contrôlable.
  • Identifiez quel module est à l'origine de vos pertes (récupération, réactif, carbone ou temps d'arrêt).
  • Utilisez une matrice simple pour comparer les solutions adaptées à votre type de minerai et à vos contraintes.
  • Participez aux réunions avec les fournisseurs avec une liste de contrôle qui expose rapidement les conceptions faibles.

Les vrais problèmes des acheteurs

Quand les gens achètentÉquipement de cyanuration, ils disent souvent « J’ai besoin d’une récupération plus élevée. » Ce qu’ils veulent généralement dire, c’est : « J’ai besoin d’un taux de récupération qui reste élevé même lorsque le minerai change, que les opérateurs changent et que le site est éloigné. » Voici les points douloureux qui reviennent encore et encore :

  • Balançoires de récupérationcausée par la variabilité du minerai, des problèmes de broyage, des limitations en oxygène ou un mauvais contrôle du pH.
  • Augmentation du coût des réactifsd’une surdose de cyanure ou de chaux « juste pour être sûr ».
  • Problèmes de carbonetels que l'encrassement, la perte par attrition ou une mauvaise cinétique d'adsorption.
  • Temps d'arrêtdes pannes de pompe/vanne, de l'usure des boues abrasives ou des aménagements difficiles d'accès.
  • Stress lié à la sécuritéautour du stockage, du dosage et de la préparation aux interventions d’urgence du cyanure.

Une bonne conception d’équipement ne supprime pas toute la complexité, mais elle devrait éliminer les incertitudes.


Ce que comprend « l’équipement de cyanuration »

Cyaniding Equipment

Au minimum,Équipement de cyanurationdoit être compris comme un système qui prend en charge ces fonctions :

  • Lessivage: assurer le contrôle du temps, du mélange et de la chimie pour la dissolution.
  • Capture d'or: adsorption sur charbon actif (CIP/CIL) ou voie de précipitation.
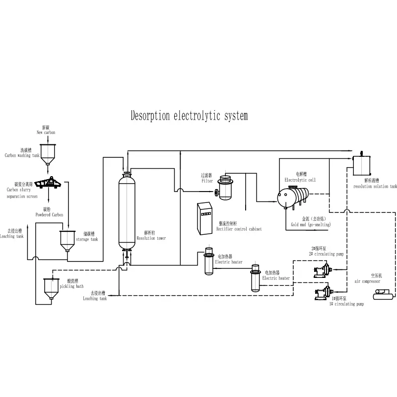
  • Récupération de l'or: désorption et électroextraction (ou circuits de récupération alternatifs).
  • Détoxification et gestion des résidus: réduire le cyanure résiduel à des niveaux acceptables.
  • Instrumentation et contrôle: mesurer et stabiliser le pH, l'oxygène dissous, le débit et le dosage.

Si un fournisseur ne parle que de « réservoirs », poussez-le à définir l'ensemble du flux et les points de contrôle. La cyanuration est indulgente dans des conditions de laboratoire ; il ne pardonne pas dans des conditions de terrain chaotiques.


Une cartographie claire des processus, du minerai au doré

Bien que chaque plante soit différente, la plupart des voies de cyanuration suivent une structure reconnaissable. Utilisez cette carte pour vérifier si un package proposé est complet :

Scène Ce qu'il doit réaliser Risque « caché » typique
Prétraitement (au besoin) Rendre l’or accessible et prévenir les pics de consommation de cyanure Ignorer le vol de prég, la teneur élevée en cuivre ou les sulfures réactifs
Lessivage Mélange stable, pH contrôlé et suffisamment d'oxygène Zones mortes, mauvais transfert d'oxygène, pH irrégulier dû à un système de chaux faible
Adsorption (CIL/CIP) Capturez efficacement l’or dissous Mauvaise taille/méthode de transfert du carbone ; pertes de carbone
Élution / Désorption Retirez l’or du carbone de manière fiable Un chauffage/débit incohérent entraîne une faible efficacité de décapage
Extraction électrolytique/fusion Récupérer et produire du doré Cellules sous-dimensionnées, mauvaise gestion des électrolytes, problèmes de gestion des boues
Détox Réduire le cyanure résiduel avant le rejet/les résidus La conception ne correspond pas à la variabilité du débit ou à la chimie des résidus

Modules clés et éléments à vérifier

1) Cuves de lixiviation et agitation

  • La conception du mélange est-elle adaptée à la densité et à l’abrasivité de votre boue ?
  • Le système peut-il maintenir un pH stable malgré la variabilité du minerai ?
  • L’ajout d’oxygène est-il pratique sur votre site (et le transfert d’oxygène est-il pris en compte dans la conception) ?
  • La disposition permet-elle une inspection facile des roues, des chemises et des roulements ?

2) Adsorption et transfert de carbone

  • Les écrans inter-étages sont-ils suffisamment robustes pour empêcher le transfert de carbone ?
  • Le transfert de carbone est-il conçu pour réduire la casse et les pertes ?
  • La conception est-elle favorable au nettoyage et au contrôle des stocks de carbone ?

3) Désorption et électroextraction

  • Le circuit d’élution correspond-il à vos attentes en matière de charge en carbone ?
  • Les contrôles de chauffage et de débit sont-ils stables (non « dépendants de l'opérateur ») ?
  • La gestion des boues est-elle planifiée et non improvisée ?

4) Dosage et mesure du cyanure

  • Le dosage est-il automatisé avec des verrouillages, ou purement manuel ?
  • Quel est le plan d’étalonnage et de maintenance des capteurs dans un environnement minier réel ?
  • Les points de prélèvement sont-ils sûrs et bien positionnés, ou une réflexion après coup ?

5) Détox

  • La conception de la détoxification est-elle basée sur vos objectifs de rejet et la chimie des résidus ?
  • Peut-il gérer des pics à court terme sans forcer un arrêt ?

Conseil pratique :Une proposition qui semble moins chère sur le papier augmente souvent les coûts d'exploitation : plus de cyanure, plus de chaux, plus de main d'œuvre de maintenance et un comportement plus « héroïque » des opérateurs. La facture arrive plus tard.


Bases du dimensionnement et des spécifications

Vous n’avez pas besoin d’être métallurgiste pour poser des questions de dimensionnement qui protègent votre budget. PourÉquipement de cyanuration, la logique de dimensionnement de base tourne autour du débit, du temps de séjour et du transfert de masse. Avant d'accepter une conception finale, assurez-vous que ces entrées sont explicitement indiquées :

  • Débit de conception(moyenne et pic, plus variabilité saisonnière attendue).
  • Taille de mouture cibleet que se passe-t-il si le moulin dérive plus grossièrement.
  • Temps de séjour de lixiviationet si cela est basé sur des tests ou des hypothèses.
  • Plan pH et alcalinité(y compris la préparation de la chaux et la stabilité du dosage).
  • Stratégie oxygène(air, oxygène ou aucun) et l'impact attendu sur la cinétique.
  • Inventaire carbone(quelle quantité de carbone, où il se trouve et comment il est surveillé).

Si un fournisseur ne peut pas les expliquer dans un langage simple, traitez-le comme un signal de risque et non comme un détail technique.


Une sécurité et un contrôle du cyanure qui tiennent réellement le coup

La sécurité n’est pas une affiche accrochée au mur. Avec la cyanuration, elle est intégrée à la conception physique et au contrôle de routine. FortÉquipement de cyanurationles forfaits comprennent généralement :

  • Stockage confiné et transfertavec des chemins de déversement clairs et une logique de regroupement.
  • Dosage verrouilléle cyanure ne peut donc pas être ajouté lorsque les conditions clés ne sont pas remplies.
  • Plan d’échantillonnage clairqui réduit le risque d’exposition lors des contrôles de routine.
  • Préparation aux situations d'urgencedans le cadre de l'ensemble des procédures opérationnelles et non comme un document complémentaire.

Du point de vue de l'acheteur, votre travail est simple : forcer la proposition à montrer exactement comment les gens interagissent avec le système. Où en sont-ils ? Que touchent-ils ? Comment isolent-ils les équipements ? Comment réagissent-ils en cas de défaillance du joint de pompe à 2 heures du matin ?


D’où viennent réellement les coûts d’exploitation

Si votre coût par once augmente, il ne s’agit généralement pas d’une panne dramatique : ce sont de petites fuites dans le système qui s’aggravent. Dans le cas de la cyanuration, les facteurs de coûts les plus courants sont :

  • Consommation de cyanureentraîné par des minéraux réactifs, des habitudes de surdosage ou de mauvaises boucles de contrôle.
  • Consommation de chauxlorsque le contrôle du pH est instable ou que la chimie du lisier n’est pas bien comprise.
  • Perte de carbonevia l'attrition, des problèmes d'écran ou une mauvaise conception de transfert.
  • Alimentation et entretiend'une agitation excessive, de pièces d'usure sous-conçues et de configurations difficiles à entretenir.
Symptôme Cause profonde probable Fonctionnalité d'équipement qui aide
La récupération diminue lorsque le minerai change Instabilité pH/OD ; mauvais mélange; temps de séjour insuffisant Agitation robuste, meilleure instrumentation de contrôle, capacité de réservoir flexible
Les dépenses en cyanure continuent d'augmenter Surdosage ; minéraux à forte consommation de cyanure ; mauvaise mesure Dosage contrôlé, points d'échantillonnage fiables, verrouillages plus intelligents
L’inventaire carbone diminue « mystérieusement » Pannes d'écran ; pertes de transfert ; usure Écrans inter-étages durables, conception de transfert douce, comptabilisation claire du carbone
Arrêts fréquents Pièces d'usure, étanchéité de la pompe, problèmes d'accès Matériaux résistants à l'usure, accès pour la maintenance, pièces de rechange standardisées

Conception de fiabilité et de maintenance

Cyaniding Equipment

Un circuit de cyanuration peut sembler « complet » et néanmoins peu fiable si la maintenance n’a pas été conçue. Demandez comment le fournisseur aborde :

  • Sélection des matériauxpour les zones de boues abrasives et les zones de contact avec le cyanure.
  • Accéderaux tamis, aux roues, aux revêtements, aux pompes et à l'instrumentation.
  • Stratégie pièces de rechangequi correspond à la réalité de votre chantier (délais, logistique, stockage).
  • Standardisationpour réduire le nombre d'articles d'usure uniques.

Dans les opérations à distance, « facile à entretenir » peut valoir plus que « légèrement plus efficace sur le papier ».


Questions aux fournisseurs que vous devriez poser

Utilisez cette liste de contrôle lors des réunions. Il est conçu pour faire apparaître rapidement des propositions faibles, sans transformer la conversation en débat.

  • Quels risques liés au minerai sont assumés et lesquels sont activement conçus ?
  • Quels sont les paramètres de conception pour le temps de séjour, la plage de pH et la stratégie en matière d'oxygène ?
  • Comment le dosage du cyanure est-il contrôlé et que se passe-t-il en cas de panne du capteur ?
  • Comment la perte de carbone est-elle évitée et mesurée dans les opérations de routine ?
  • Quel est le plan d’accès pour la maintenance des tamis, agitateurs et pompes ?
  • Quels sont les contrôles recommandés par les opérateurs par équipe et comment sont-ils sécurisés ?
  • Quelle assistance à la mise en service est incluse et quelle formation des opérateurs est fournie ?

Si vous évaluez des fournisseurs, il peut être utile de parler avec un fabricant capable de fournir un package complet de cyanuration et de prendre en charge les détails de l'intégration. Par exemple, Qingdao EPIC Mining Machinery Co., Ltd.fournit des solutions d'équipement de traitement minier où les packages de cyanuration sont considérés comme des systèmes (lixiviation, adsorption, récupération et contrôle) plutôt que comme un ensemble de réservoirs déconnectés.


FAQ

Qu’est-ce qui rend l’équipement de cyanuration « moderne » plutôt que basique ?

Les conceptions modernes se concentrent sur la contrôlabilité et la répétabilité : dosage stable, mesure fiable, échantillonnage plus sûr, protection contre l'usure robuste et configurations qui réduisent l'improvisation de l'opérateur. L’objectif est une récupération cohérente avec moins de déchets de réactifs et moins d’arrêts.

Les équipements de cyanuration peuvent-ils traiter le minerai à faible teneur de manière économique ?

C’est possible, mais seulement lorsque le circuit est conçu en fonction de votre cinétique et de votre profil de consommation. Les opérations de faible qualité ont tendance à être sensibles aux dépenses excessives en réactifs et aux temps d'arrêt. Les systèmes de contrôle, la conception de l'usure et la gestion du carbone deviennent donc particulièrement importants.

Comment savoir si j’ai besoin d’un CIP ou d’un CIL ?

Le choix dépend généralement de la cinétique de lixiviation et de la rapidité avec laquelle l’or dissous doit être capturé. Si l’or se dissout rapidement et que vous souhaitez une capture immédiate, le CIL peut être intéressant. Si la lixiviation bénéficie de la séparation avant l'adsorption, le CIP peut mieux s'adapter. Les tests métallurgiques et les contraintes pratiques du site devraient guider la décision.

Pourquoi la consommation de cyanure augmente-t-elle parfois soudainement ?

Les causes courantes incluent des changements dans les minéraux du minerai, un mauvais contrôle du pH, une limitation inattendue de l'oxygène ou une contamination de l'eau de traitement. Un bon plan de contrôle et des points d’échantillonnage fiables facilitent le diagnostic et la correction rapide de ces pics.

Que dois-je prioriser si mon site est distant et manque de personnel ?

Donnez la priorité à la maintenabilité et à l’automatisation qui réduisent la manipulation manuelle : écrans durables, disposition des équipements accessibles, pièces de rechange standardisées, dosage verrouillé et routines d’exploitation claires qui ne dépendent pas d’un « un seul opérateur expert ».


Conclure

AchatÉquipement de cyanurationil s’agit en fin de compte de réduire l’incertitude. L'alchimie a peut-être fait ses preuves, mais votre rentabilité dépend d'un contrôle constant, d'une maintenance pratique et d'une sécurité qui fonctionne sur de vrais quarts de travail avec de vraies personnes. Si vous planifiez une nouvelle usine ou modernisez un circuit existant, exposez vos réalités en matière de minerai, vos objectifs de débit et les contraintes du site et insistez sur une proposition qui traite la cyanuration comme un système complet et contrôlable.

Prêt à transformer votre plan de cyanuration en une opération fiable et rentable ?Partagez votre type de minerai, la capacité cible et les conditions du site, etContactez-nouspour discuter d'une configuration d'équipement pratique adaptée à votre usine et à vos opérateurs.

envoyer une demande

X
Nous utilisons des cookies pour vous offrir une meilleure expérience de navigation, analyser le trafic du site et personnaliser le contenu. En utilisant ce site, vous acceptez notre utilisation des cookies. politique de confidentialité