English
Español
Português
русский
Français
日本語
Deutsch
tiếng Việt
Italiano
Nederlands
ภาษาไทย
Polski
한국어
Svenska
magyar
Malay
বাংলা ভাষার
Dansk
Suomi
हिन्दी
Pilipino
Türkçe
Gaeilge
العربية
Indonesia
Norsk
تمل
český
ελληνικά
український
Javanese
فارسی
தமிழ்
తెలుగు
नेपाली
Burmese
български
ລາວ
Latine
Қазақша
Euskal
Azərbaycan
Slovenský jazyk
Македонски
Lietuvos
Eesti Keel
Română
Slovenski
मराठी
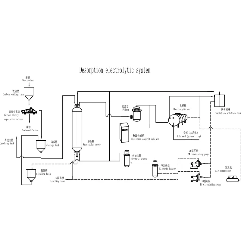
Srpski језик Le système électrolytique de désorption est une technologie cruciale dans l’extraction moderne de l’or, en particulier dans les processus de carbone en pulpe (CIP) et de carbone en lixiviation (CIL). Ce blog explore le fonctionnement du système, ses composants, ses avantages et pourquoi il est deven......
En savoir plusLe classificateur à spirale immergé est un composant essentiel dans le traitement des minéraux qui améliore la séparation et la classification des particules dans diverses industries. Dans cet article, nous explorerons la fonction, les avantages et les applications des classificateurs en spirale imm......
En savoir plusLes réservoirs d'agitation de lixiviation sont des équipements essentiels dans l'industrie minière, en particulier pour extraire les métaux précieux des minerais par des processus de lixiviation. Dans ce blog, nous explorerons l'importance, le principe de fonctionnement et les différents types de ré......
En savoir plusUn classificateur en spirale immergé est un équipement essentiel dans le traitement des minéraux, conçu pour séparer les particules en fonction de leur taille et de leur densité par sédimentation par gravité et mouvement mécanique. Largement utilisée dans les systèmes d'exploitation minière, de lava......
En savoir plusL'épaississeur circulaire à plaques inclinées à haut débit (CHRIPT) est un équipement essentiel utilisé dans l'industrie minière et de transformation des minéraux. Connu pour sa capacité à séparer efficacement les solides des liquides, cet épaississant est crucial dans des industries telles que le t......
En savoir plusLa cellule de flottation à mousse cylindrique révolutionne le traitement des minéraux grâce à sa conception optimisée, ses taux de récupération améliorés et ses performances économes en énergie. Ce guide complet explore en quoi les cellules de flottation cylindriques diffèrent des modèles traditionn......
En savoir plus