Système électrolytique de désorption
  • Système électrolytique de désorption Système électrolytique de désorption

Système électrolytique de désorption

En tant que fabricant professionnel, Epic souhaite vous fournir un système électrolytique de désorption de haute qualité. Et nous vous offrirons le meilleur service après-vente et la livraison en temps opportun.

envoyer une demande

Description du produit

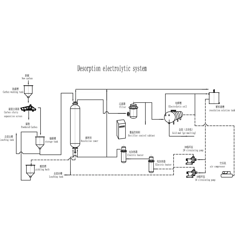
En tant que fabricant compétent, Epic vise à vous offrir un système électrolytique de désorption de premier ordre. Nous vous promettons de vous fournir le meilleur support après-vente et la livraison rapide. En ajoutant plus facilement par le système de désorption d'adsorption de carbone activé de l'anion, donc le remplacement de l'Au (CN) 2 ", réalise la désorption de l'or. Le liquide obtenu par désorption du carbone chargé d'or est récupéré par ionisation pour obtenir de l'or solide. Caractéritiatios de l'équipement.

1, haute température, haute pression, pas de cyanure, contrôle automatique de désorption, à haute elfe, consommation d'arc, rapide

caractéristiques: 

A. High Efficacité: Lorsque le grade de carbone chargé d'or atteint 3000 g / t

appareil:

B.Fast: La température de l'électrolyse de désorption peut atteindre 150 ℃ (30-55 ℃ supérieure à celle des autres modèles) une pression de travail du système jusqu'à 0,5 MPa (0,2-0,5 MPa plus élevé que les autres modèles), donc le temps d'électrolyse de désorption est très rapide, généralement 12 h, se raccourcissant presque 

3 fois: C. Consommation de low: la température électrolytique de désorption est la même, pas de transfert de chaleur, en raison du travail rapide, donc la consommation d'énergie totale est de 1/2-1 / 4 du système conventionnel.

2. Pas de cyanure: la solution de désorption n'a pas besoin d'ajouter du cyanure de sodium, de faible coût, pas de pollution:

3, boue dorée de haute qualité, pas besoin d'inverser l'électrolyse, extraction facile;

4, Contrôle automatique: définissez spécialement le système de contrôle du niveau de liquide, le système de contrôle de la température et le système de contrôle automatique;

5, Sécurité: avec des mesures de protection contre la sécurité triple, à savoir le système lui-même intelligent, le mécanisme de libération de pression limitant la pression autoratique, la soupape de sécurité de l'assurance.

Balises actives: Système électrolytique de désorption
envoyer une demande
N'hésitez pas à faire votre demande dans le formulaire ci-dessous. Nous vous répondrons dans les 24 heures.
X
Nous utilisons des cookies pour vous offrir une meilleure expérience de navigation, analyser le trafic du site et personnaliser le contenu. En utilisant ce site, vous acceptez notre utilisation des cookies. politique de confidentialité