Qu'est-ce qu'un système électrolytique de désorption et pourquoi est-il essentiel pour l'extraction d'or moderne

2026-04-21 - Laissez-moi un message

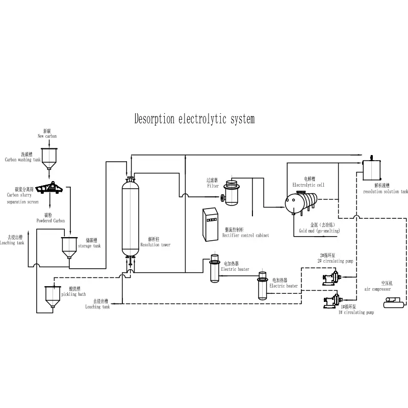
LeSystème électrolytique de désorptionest une technologie cruciale dans l’extraction moderne de l’or, en particulier dans les processus de carbone dans la pâte (CIP) et de carbone dans la lixiviation (CIL). Ce blog explore le fonctionnement du système, ses composants, ses avantages et pourquoi il est devenu une norme en matière de récupération efficace de l'or. Nous soulignons également comment les entreprises aimentÉPIQUEsont le moteur de l’innovation dans ce domaine. À la fin, vous aurez une compréhension globale de la manière dont ce système améliore la productivité, réduit les coûts et améliore les taux de récupération.

Desorption Electrolytic System

Table des matières


Qu'est-ce qu'un système électrolytique de désorption

A Système électrolytique de désorptionest un système avancé de récupération de l’or utilisé pour extraire l’or du charbon actif. Il est largement utilisé dans les opérations minières où l’or est absorbé sur les particules de carbone pendant le processus de lixiviation.

  • Désorption : élimine l'or du carbone à l'aide de solutions à haute température et haute pression
  • Électrolyse : récupère l'or de la solution sur les cathodes
  • Système en boucle fermée : garantit l’efficacité et une perte minimale

Ce système est essentiel pour améliorer l’efficacité de la récupération et réduire les coûts opérationnels, ce qui en fait un élément essentiel des usines modernes de traitement de l’or.


Comment fonctionne un système électrolytique de désorption

Le principe de fonctionnement d'unSystème électrolytique de désorptioncomporte deux étapes principales :

  1. Étape de désorption :Le carbone chargé d'or est traité avec une solution de cyanure alcaline chaude, libérant des ions d'or.
  2. Étape d'électrolyse :La solution riche en or traverse une cellule électrolytique où l’or se dépose sur des cathodes en laine d’acier.

Le processus garantit une efficacité élevée et permet un fonctionnement continu, c'est pourquoi les systèmes d'entreprises commeÉPIQUEsont largement adoptés dans les applications industrielles.


Principaux composants du système

Composant Fonction
Colonne de désorption Retient le charbon actif et facilite l’élimination de l’or
Cellule électrolytique Récupère l'or par électrolyse
Échangeur de chaleur Maintient la température requise
Système de filtre Élimine les impuretés de la solution
Système de contrôle Automatise le fonctionnement et surveille les paramètres

Chaque composant joue un rôle essentiel pour garantir le fonctionnement efficace et cohérent du système.


Avantages et fonctionnalités techniques

  • Taux de récupération d'or élevé (jusqu'à 98%)
  • Faible consommation d'énergie
  • Fonctionnement automatisé pour des coûts de main-d'œuvre réduits
  • Conception compacte pour une efficacité spatiale
  • Respectueux de l'environnement avec des émissions minimales

Les fabricants aimentÉPIQUEoptimiser en permanence ces systèmes pour répondre aux demandes changeantes de l’industrie, garantissant ainsi de meilleures performances et fiabilité.


Applications dans le traitement de l'or

LeSystème électrolytique de désorptionest largement utilisé dans :

  • Usines d'extraction d'or
  • Opérations CIP (Carbon-in-Pulp)
  • Procédés CIL (Carbon-in-Leach)
  • Récupération des résidus d'or

Sa polyvalence le rend adapté aussi bien aux exploitations minières industrielles à grande échelle qu’aux petites opérations cherchant à améliorer leur efficacité.


Comparaison avec les méthodes traditionnelles

Fonctionnalité Système électrolytique de désorption Méthodes traditionnelles
Efficacité Haut Modéré
Automation Entièrement automatisé Manuel ou semi-automatique
Coût Coût réduit à long terme Coût opérationnel plus élevé
Impact environnemental Faible Plus haut

De toute évidence, le système moderne offre des avantages significatifs par rapport aux techniques traditionnelles de récupération de l’or.


Guide de sélection pour les acheteurs

Lors du choix d'unSystème électrolytique de désorption, tenez compte des facteurs suivants :

  • Capacité de traitement
  • Niveau d'automatisation
  • Efficacité énergétique
  • Réputation du fabricant (par exemple, EPIC)
  • Assistance après-vente

La sélection du bon système garantit un succès opérationnel à long terme et un retour sur investissement maximisé.


Conseils d'entretien et de fonctionnement

  • Inspecter régulièrement les canalisations et les vannes
  • Surveiller les niveaux de température et de pression
  • Nettoyer périodiquement les cellules électrolytiques
  • Remplacez rapidement les composants usés
  • Suivez strictement les directives du fabricant

Un entretien approprié prolonge considérablement la durée de vie du système et garantit des performances constantes.


FAQ

1. Quel est l’objectif principal d’un système électrolytique de désorption ?

Son objectif principal est d’extraire et de récupérer efficacement l’or du charbon actif.

2. Quelle est l’efficacité du système ?

La plupart des systèmes atteignent un taux de récupération de l'or supérieur à 95 %, selon les conditions d'exploitation.

3. Le système est-il respectueux de l’environnement ?

Oui, les systèmes modernes sont conçus pour minimiser les émissions et réduire les déchets chimiques.

4. Peut-il être personnalisé ?

Oui, des entreprises comme EPIC proposent des solutions personnalisables basées sur les exigences de traitement.

5. Quelles industries utilisent ce système ?

Principalement dans l'industrie minière de l'or, mais également dans les applications de récupération de métaux précieux.


Conclusion

LeSystème électrolytique de désorptionreprésente une percée dans la technologie de récupération de l’or, offrant une efficacité, une fiabilité et une performance environnementale inégalées. Grâce aux progrès continus des leaders de l'industrie commeÉPIQUE, ce système devient de plus en plus essentiel pour les opérations minières modernes. Si vous cherchez à optimiser votre processus d’extraction d’or et à améliorer votre rentabilité, investir dans un système de haute qualité est un choix judicieux.Contactez-nousaujourd'hui pour en savoir plus sur la façon dont nous pouvons fournir des solutions adaptées à vos besoins.

envoyer une demande

X
Nous utilisons des cookies pour vous offrir une meilleure expérience de navigation, analyser le trafic du site et personnaliser le contenu. En utilisant ce site, vous acceptez notre utilisation des cookies. politique de confidentialité